鉅大鋰電 | 點擊量:0次 | 2018年05月27日
基于ICL7107的鋰電池保護板漏電流測試儀如何設計?
在便攜式應用場合,迫切需要有容量高、體積小、重量輕的電池。目前,在一次、二次電池中,鋰電池已經取代鎳鎘、鎳氫電池得到了廣泛的應用。但鋰電池存在“對過充電、過放電的耐受力差”的缺點,所以,鋰電池都必須配有保護電路板,對鋰電池的過充電、過放電起保護作用。保護板由鋰電池供電,正常耗漏電流為2μA~3μA,如果保護板的漏電流超過5μA,將引起電池存儲壽命縮短,嚴重時可使電池損壞。因此,迫切需要一種測試儀對鋰電池保護板漏電流進行檢測。
本研究利用集成電路ICL7107設計鋰電池保護板漏電流快速檢測儀。
1、保護電路漏電流過大的危害分析
1.1、保護電路分析
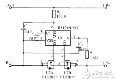
鋰電池保護電路原理圖如圖1所示。圖中U1采用日本理光R5421N151F鋰電池保護芯片,U2采用三洋FTD2017金屬氧化物半導體管(MOST)。當鋰電池在工作過程中出現過充、過放、過流、短路等異常情況時,U2作為開關器件,將迅速切斷電路,以保證鋰電池的安全。

圖1鋰電池保護電路原理圖
1.2、產生漏電流的環節
由圖1可知,鋰電池保護電路產生的漏電流包含以下3個環節:①電容C1產生的漏電流;②R5421N151F芯片的內部工作電流;③FTD2017金屬氧化物半導體管產生的漏電流。
當電容C1產生過大的漏電流,或R5421N151F芯片異常產生過大的內部工作電流,或FTD2017晶體管G-S靜電擊穿,或PCB線路板銅箔因距離近引起走線短路時,保護電路將產生過大的漏電流。
1.3、漏電流過大的危害分析
從圖1可知,保護板接在電池兩端。當保護板自身漏電流過大時,一方面保護板本身無法對系統起有效保護作用;另一方面將使鋰電池存儲壽命縮短,嚴重時可使電池損壞。據統計,保護板漏電流過大,約占總量3‰左右。由于保護板漏電流過大具有很大的隱蔽性,一般須經3~6個月的使用后才能發覺,如鋰電池的價格以20元/塊、產量以10000塊/天計算,將造成鋰電池生產廠家每天600元的損失,一年將產生20萬元的退貨,并造成負面的信譽影響。
2、保護板漏電流測試原理分析
2.1、測試儀工作原理
測試儀由基準電路、測試電壓電路、比較電路、數顯312/微安表、報警電路等部分組成,其原理圖如圖2所示。

圖2保護板漏電流測試儀原理圖
基準電路:R1,DW1組成2.5V的低溫飄高穩定電壓信號源,經R2,W1分壓,得到約5mV的基準電壓。基準電壓加比較電路LM358的反相輸入端。
測試電壓電路:本測試儀按鋰電池的工作電壓為4.2V設計,經DW2穩壓,通過調整W2獲得4.2V電壓,作為保護板測試電壓。
保護板測試用電壓通過OUT+,OUT-插座和測試表筆,加到保護板兩端,保護板漏電流通過電阻R7產生一個電壓降:
UR7=I漏&TImes;R7=XμA&TImes;(1&TImes;103)Ω=XmV(假設漏電流為xμA)
漏電流在電阻R7上產生的電壓降,同時通過電阻R3,電容C4濾波,加在LM358的同相輸入端,與5mV的基準端比較,當漏電流較大,在R7上形成的壓降超過5mV,LM358的同相輸入端電壓超過反相輸入端,輸出端電位變高,驅動9013,帶動蜂鳴器產生聲音告警信號。
上一篇:簡述鋰電池固態化后的又一突破










